技術支持

當前位置:首頁>技術支持

變形鈦合金的低倍組織及其評定方法-基色T

時間:2022-08-02   訪問量:2160

基色即圖形對比度,即區別低倍組織的完全光澤(清晰晶)、光澤模糊和完全模糊(模糊晶)的程度,它也是低倍組織的重要特性。它實際上表示了高的反射能力下金屬持有的光澤程度(在可見光譜部分的反射系數超過0.7).當入射光線的角度、低倍組織的組織要素與人眼呈合理的反射角度時,就能看到這些組織呈清晰晶,如前所述,這些組織要素就是原始β晶粒和α集束。當被觀察的低倍表面旋轉時,組織的圖像會發生變化,另有一批與入射光線符合反射條件的組織要素被觀察到,這些晶粒又成為清晰晶。
在(α+β)區溫度變形后,由于多邊形化和再結晶過程的發生,導致在一個原始β晶粒范圍內產生的晶粒和亞晶粒取向不同,使反射光漫散,光澤程度降低,即模糊度增加。由于上述過程伴隨著片狀組織變成球狀組織,所以基色實際上還與α片層的球化程度C有關。因此,從總體上說,鈦合金低倍組織的基色主要取決于β晶粒(α集群)尺寸和α片層的球化程度。大量的研究工作概括了顯微組織、低倍組織的級別與基色的關系,如圖4-4所示。

低倍組織基色圖 

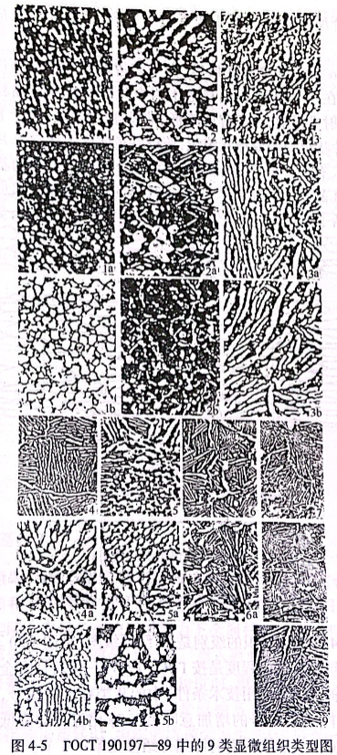
圖4-4中低倍組織的級別是-10級評級圖(見圖4-2).顯微組織類型中組織球化的程度是按TOCT 190197-89《鈦合金自由鍛、模鍛盤和軸類鍛件通用技術條件》中的9類標準的編號,如圖4-5所示。其中,類型編號的增加意味著α球化程度的降低,片狀化程度的增加。關于該圖譜的詳細介紹參見第4.4節。

ROCT 190197-89中的9類顯微組織類型圖 

在低倍組織基色圖4-4中示出了4個等級:
I-完全光澤的低倍組織(清晰晶)。旋轉低倍試片時,這種組織中所有的晶粒輪流進入反射位置而呈現光澤,這些同時呈現光澤的晶粒數量約為低倍試片面積的40%~50%,對應于β退火的常見低倍組織。
II-主要是有光澤的混合低倍組織(半清晰晶)。旋轉低倍試片時,這種組織中大約60%~80%的所有晶粒輪流呈現光澤,而同時呈現光澤的晶粒數量為低倍試片面積的30%~40%.
Ⅲ-主要是模糊的混合低倍組織(半模糊晶)。旋轉低倍試片時,這種組織中只有不大于20%~40%的所有晶粒輪流呈現光澤,而在一個固定位置時,其面積不大于10%~20%的所有晶粒是可見的。
IV--模糊低倍組織(模糊晶)。低倍試片在任何位置這種組織都不存在呈現光澤的晶粒,這就是一般說的α相充分等軸又細化的低倍組織。
從低倍組織基色圖4-4中可以看出:當β晶粒尺寸大于100~150μm時,在片狀或球狀化程度小的過渡顯微組織情況下,觀察到低倍組織有光澤的基色。當球化程度高(C≥70%~80%)的過渡顯微組織情況下,低倍組織才能呈完全模糊。與此同時,當β晶粒尺寸小于100~150μm時,在片狀和任何一種過渡組織情況下,低倍組織都能呈模糊狀。基色是混合的低倍織,對應的是α集束加不同程度等軸α化的過渡顯微組織。
從低倍組織基色圖4-4應該得出的并已經用于完善半成品生產工藝的一個重要且有實際意義的結論是:原始組織越細小,越可以在較小球化程度下確保對于大部分半成品品種所要求的低倍組織模糊基色(當Dβ=2000~3000μm,則球化程度C≥80%;當Dβ=1000~1500μm,則球化程度C≥70%;當Dβ=300~600μm,則球化程度C≥60%)。相應得出:細化原始組織意味著有可能減小在(α+β)區溫度下所要求的變形程度(見圖4-6).從圖中也可以看出:在相同的變形程度ε≈40%時,當Dβ=400μm,材料球化程度C≈50%;當Dβ=1000μm,球化程度C≈30%;而當Dβ=3000μm,球化程度C<20%.

原始組織對BT3-1(TC6)合金鐓粗坯料組織中α片層球化程度的影響 

值得指出的是,圖4-4表明,低倍呈清晰晶時,對應的顯微組織未必是全片狀組織,也可能是等軸或雙態類型組織;低倍呈模糊晶時,顯微組織未必全是等軸晶,也可能是片狀或雙態組織類型,所以在鈦合金低倍組織和顯微組織之間不存在簡單的一一對應關系。因此,對半成品或零件是否具有允許的低倍組織的質量判斷,除了檢查各種缺陷的情況外,應該與顯微組織檢查的結果結合起來綜合判定。
綜上所述,為了全面地描述鈦合金半成品的低倍組織,必須利用3個參數:晶粒度、晶粒的不等軸程度和基色,對其中每一個參數都應進行定量評定。



億沐鑫新材料公司產品分類:鈦棒鈦管鈦板鈦陽極鈦箔鈦帶鈦法蘭鈦絲鈦靶材鈦設備鈦餅鈦環鈦標準件鈦加工件

上一篇:變形鈦合金的低倍組織及其評定方法-晶粒的不等軸程度

下一篇:鈦合金半成品顯微組織的多樣性與分類

發表評論:

評論記錄:

未查詢到任何數據!

在線咨詢

點擊這里給我發消息 售前咨詢專員

點擊這里給我發消息 售后服務專員

在線咨詢

免費通話

24小時免費咨詢

請輸入您的聯系電話,座機請加區號

免費通話

微信掃一掃

微信聯系
返回頂部